| Sign In | Join Free | My hardware-wholesale.com |
|
Brand Name : Saibo
Model Number : FD-frame SQMT QS16-265
Certification : CE/ISO
Place of Origin : China
MOQ : 1 set
Price : negotiation
Supply Ability : 300 sets per year
Delivery Time : 60 working days after received deposit
Packaging Details : Suitable for ocean shipment
Product Name : FD-frame SQMT QS16-265 Roll Forming Machine
Total Power : 20kw
Steel thickness : galvanized steel 0.8-0.95mm
Coil width : 147.2mm (based on the profile)
Station : 20 stations + one station for rectify
Coil inner diameter : φ430-510mm
Coil outer diameter : φ1100mm(maximum)
Feeding speed : 15m/min (maximum)
Main configuration
The Chart of Process Flow
Decoiler---leveling---notching---punch the two sides---cut to length---feeding table---roll forming---hydraulic bending---out table
Main specification
Every section specification
1. 3T decoiler, the number demand based on customer’s request.
2. Feeding, leveling, notching, cutting section
3. Feeding table
Driving 0.75KWFrequency conversion motor drive + cycloidal pin gear speed reducer
4. Double valve flange molding machine
5. Bending machine
6. control box
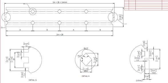
Profile drawing: (all the punching size and length tolerance is +-0.5mm)


Photo for reference

|
|
FD - frame SQMT QS16-265 Roll Forming Machine Galvanized Steel 0.8-0.95mm Images |